
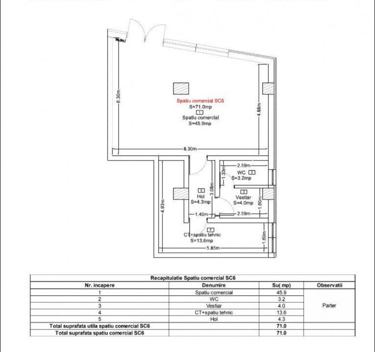
Se oferă spre vânzare un spațiu comercial de 71 mp utili, situat într-o zonă cu trafic pietonal și auto, în Dâmbu Rotund. Spațiul este compartimentat astfel:
• Spațiu comercial generos
• WC
• Vestiar
• Centrală termică + spațiu tehnic
• Hol
Avantaje:
• Se vinde cu preluare de chiriași, generând un venit lunar de 900€/lună.
• Ideal pentru investiție sau activitate comercială imediată.
Pentru vizionări și informații suplimentare, vă rugăm să ne contactați.
ID Extern:P255384